
一、項目背景
河南安陽林州市某高速公路項目是河南省政府主要打造的一項公路建設項目,該項目全長約70公里,起點位于安陽市內,終點位于林州市縣。該項目總投資約60億元人民幣,建設工期預計為3年。
該項目的建設旨在緩解當地交通壓力,提高區域交通運輸能力和服務水平,促進當地經濟發展和城鄉一體化進程。該項目建成后,將成為河南省境內的重要交通樞紐之一,有望為當地的物流、旅游、商貿等行業帶來新的發展機遇。同時,該項目還將進一步完善當地的交通網絡,提高當地居民的出行便利性和生活質量。
二、用戶需求
1)電力管理:實時監測隧道內各個照明回路的電能消耗情況,幫助進行電力管理和節能減排;
2)安全保障:隧道內的照明設備故障可能會對隧道的安全和暢通造成嚴重影響,需要監測隧道內照明設備的電壓、電流等參數,幫助發現和預防設備故障和安全事故的發生;
3)設備管理:對隧道內的照明設備進行實時監測和故障報警,及時發現并處理設備故障,保證隧道內的照明設備始終處于良好狀態;
4)環境保護:隧道內的電力消耗情況也會對環境產生一定的影響,因此需要進行節能減排和環境保護。需要監測隧道內照明的電力消耗情況,有助于進行節能減排和環境保護。
三、產品介紹
安科瑞AMC200多回路智能電量采集監控裝置主要用于多個回路的全電參量測量,交流至多可同時接入8個三相回路或者24個單相回路的電流輸入,可測量電壓電流、功率、功率因數等參數。


3.1尺寸圖

3.2安裝方式

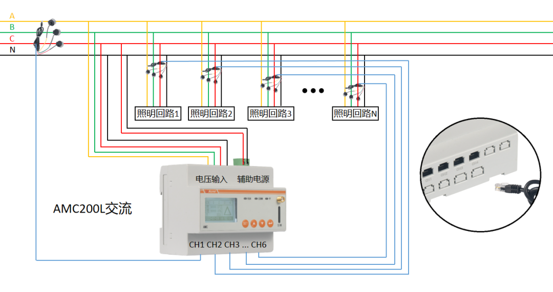
3.3 接線圖

3.4 接線說明

交流:CHx代表一個三相電流回路;
AMC200(L)-4E3/□□、AMC200(L)-4E3至多接入4個三相回路或12個單相回路;
AMC200(L)-8E3/□□、AMC200(L)-8E3至多接入8個三相回路或24個單相回路。
3.5 產品優勢
1)與傳統電能表相比,可以支持多回路計量;
2)支持無線通訊,NB/4G;
3)支持自適應抄表,可對接EIOT平臺;
4)電流規格至大可支持1600A;
5)每個通道可單獨配置電流變比;
6)可支持Modbus-RTU,YD/T 1363.3,MQTT協議;
7)可支持三相、單相回路混合使用。
8)可支持開口/閉口式交流互感器;
9)互感器采用水晶頭接口方式接入,直接插拔操作簡單,提高施工效率,有效避免接錯線、接錯相導致的數據錯誤問題;
10)支持斷路器樁頭等位置的溫度探測以及安裝環境的溫濕度測量功能,在實現電力監控的同時還起到了電氣安全的監測。
3.6檢測報告

四、現場圖片


五、結束語
安科瑞AMC200多回路智能電量采集監控裝置在隧道中具有重要的應用價值,可以滿足隧道用戶對于電力管理、安全保障、設備管理和環境保護等方面的需求。通過對隧道內各個照明回路的電壓、電流、功率、功率因數等參數進行實時監測和分析,可以及時發現并解決設備故障和安全事故,保證隧道的安全和暢通。同時,多回路智能電量采集監控裝置還可以進行電力管理和節能減排,有助于提高電力利用率和環境保護水平,綜合提高隧道的安全性、可靠性、經濟性和運行效率。