
摘要:太陽能是人類取之不盡用之不竭的可再生能源,具有充分的清潔性和安全性、相對的廣泛性、確實的長壽命和維護性、資源的充足性及潛在的經濟性等優點,在長期的能源戰略中具有重要地位并且得到廣泛的應用。太陽能一般是指太陽光的輻射能量,在現代一般用作發電,我國是太陽能資源相當豐富的國家,絕大多數地區年平均日輻射量在 4 kWh/㎡以上,西藏最高達 7kWh/㎡。從能源的穩定性、可持久性、數量、設備成本、利用條件等因素考慮,太陽能將成為理想的可再生能源和無污染能源。
關鍵詞:太陽能 光伏發電 逆變器
1.光伏發電系統的組成
太陽能發電系統是利用太陽能電池方陣將太陽輻射能直接轉換成電能的發電系統。它由太陽能電池方陣、控制器、直流/交流逆變器、光伏發電系統附屬設施(直流配電系統、交流配電系統、運行監控和監測系統、防雷和接地系統)等部分組成。
1.1硅太陽能電池種類
目前世界上有三種已商品化的硅太陽能電池:單晶硅太陽能電池、多晶硅太陽能電池和非晶硅太陽能電池。單晶硅太陽能電池的光電轉換效率較高,為 13%—15%,但其使用成本較昂貴;多晶硅太陽能電池光電轉換效率為 11%—13%,是目前廣泛應用的形式;非晶硅太陽能電池屬于薄膜電池,造價低廉,但其光電轉換效率比較低,穩定性不如晶硅太陽能電池,目前多用于弱光性電源,如手表、計算器等。
1.2太陽能電池組件
一個太陽能電池只能產生大約 0.5V 電壓,遠低于實際應用所需要的電壓。為了滿足實際應用的需要,要把太陽能電池連接成組件,一個組件上,一般太陽能電池的標準數量是36 片。通過導線連接的太陽能電池被密封成的物理單元被稱為光伏電池組件,具有一定的防腐、防風、防雨能力,這種組件的前面是玻璃板,背面是一層合金薄片,太陽能電池也是被鑲嵌在一層聚合物中。這種太陽能組件中,電池與接線盒之間可直接用導線連接,其潛在的質量問題就是邊沿的密封以及組件背面的接線盒。
太陽能電池組件的輸出功率取決于太陽輻照度、太陽能光譜的分布和太陽能電池的溫度。如果太陽能電池組件被其它物體(如鳥糞、樹蔭等)長時間遮擋時,被遮擋的太陽能電池組件將會嚴重發熱,這就是“熱斑效應"。為了防止電池組件由于熱斑效應被破壞,需要在電池組件的正負極間并聯旁通二極管,避免光照組件所產生的的能量被遮蔽的組件所消耗。
1.3直流/交流逆變器
逆變器是將直流電變換成交流電的設備,由于太陽能電池發出的是直流電,而最終光伏發電系統需要接入交流負載,逆變器按運行方式,可分為獨立運行逆變器和并網逆變器。獨立運行逆變器用于獨立運行的太陽能發電系統,為獨立的負載供電。并網逆變器用于并網運行的光伏發電系統,將發出的電能饋入電網運行。并網逆變器把光伏陣列產生的直流電轉化為和電網同相的交流電能,當電網故障時,逆變器要停止工作,并且使逆變器負載斷開,防止“孤島效應"。
1.4光伏箱式變壓器
在光伏發電系統并網前,根據并網干線的電壓選擇合適的升壓變壓器,將逆變器輸出的400V 交流電升壓到并網需要的 10kV、35kV 或 110kV 等電壓等級,滿足并網的條件。
2.并網光伏發電系統的應用
2.1有逆流并網光伏發電系統
太陽能光伏系統發出的電能充裕時,向電網輸送電能,俗稱“賣電";當太陽能光伏系統發出的電能不足時,從電網吸收電能,俗稱“買電"。
2.2無逆流并網光伏發電系統
太陽能光伏發電系統發電充裕時不向公共電網供電,但當太陽能光伏系統供電不足時,由公共電網向負載供電。
2.3有儲能裝置的并網光伏發電系統
在太陽能光伏發電系統中,有控制器和蓄電池部分,蓄電池可實現對光伏組件輸出的一部分直流電儲存起來,提高供電可靠性;控制器是實現對蓄電池過放電、過充電、負載過流和反充電加以限制,具有對蓄電池充放電管理和充電控制功能。
3、安科瑞分布式光伏運維云平臺介紹
AcrelCloud-1200分布式光伏運維云平臺通過監測光伏站點的逆變器設備,氣象設備以及攝像頭設備、幫助用戶管理分散在各地的光伏站點。主要功能包括:站點監測,逆變器監測,發電統計,逆變器一次圖,操作日志,告警信息,環境監測,設備檔案,運維管理,角色管理。用戶可通過WEB端以及APP端訪問平臺,及時掌握光伏發電效率和發電收益。
目前我國的兩種分布式應用場景分別是:廣大農村屋頂的戶用光伏和工商業企業屋頂光伏,這兩類分布式光伏電站今年都發展迅速。
在光伏變電站安裝逆變器、以及多功能電力計量儀表,通過網關將采集的數據上傳至服務器,并將數據進行集中存儲管理。用戶可以通過PC訪問平臺,及時獲取分布式光伏電站的運行情況以及各逆變器運行狀況。平臺整體結構如圖所示。

AcrelCloud-1200分布式光伏運維云平臺軟件采用B/S架構,任何具備權限的用戶都可以通過WEB瀏覽器根據權限范圍監視分布在區域內各建筑的光伏電站的運行狀態(如電站地理分布、電站信息、逆變器狀態、發電功率曲線、是否并網、當前發電量、總發電量等信息)。
3.4.1光伏發電
3.4.1.1綜合看板
●顯示所有光伏電站的數量,裝機容量,實時發電功率。
●累計日、月、年發電量及發電收益。
●累計社會效益。
●柱狀圖展示月發電量

●電站狀態展示當前光伏電站發電功率,補貼電價,峰值功率等基本參數。
●統計當前光伏電站的日、月、年發電量及發電收益。
●攝像頭實時監測現場環境,并且接入輻照度、溫濕度、風速等環境參數。
●顯示當前光伏電站逆變器接入數量及基本參數。

4.4.1.3逆變器狀態
●逆變器基本參數顯示。
●日、月、年發電量及發電收益顯示。
●通過曲線圖顯示逆變器功率、環境輻照度曲線。
●直流側電壓電流查詢。
●交流電壓、電流、有功功率、頻率、功率因數查詢。

4.4.1.4電站發電統計
●展示所選電站的時、日、月、年發電量統計報表。

4.4.1.5逆變器發電統計
●展示所選逆變器的時、日、月、年發電量統計報表

4.4.1.6配電圖
●實時展示逆變器交、直流側的數據。
●展示當前逆變器接入組件數量。
●展示當前輻照度、溫濕度、風速等環境參數。
●展示逆變器型號及廠商。

4.4.1.7逆變器曲線分析
●展示交、直流側電壓、功率、輻照度、溫度曲線。

4.4.2事件記錄
●短信日志:查詢短信推送時間、內容、發送結果、回復等。
●平臺運行日志:查看儀表、網關離線狀況。
●報警信息:將報警分進行分級處理,記錄報警內容,發生時間以及確認狀態。


4.5.1交流220V并網
交流220V并網的光伏發電系統多用于居民屋頂光伏發電,裝機功率在8kW左右。

部分小型光伏電站為自發自用,余電不上網模式,這種類型的光伏電站需要安裝防逆流保護裝置,避免往電網輸送電能。光伏電站規模較小,而且比較分散,對于光伏電站的管理者來說,通過云平臺來管理此類光伏電站非常有必要,安科瑞在這類光伏電站提供的解決方案包括以下方面:

4.5.2交流380V并網
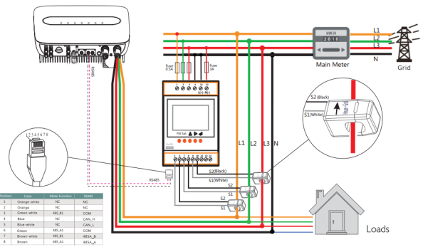
根據國家電網Q/GDW1480-2015《分布式電源接入電網技術規定》,8kW~400kW可380V并網,超出400kW的光伏電站視情況也可以采用多點380V并網,以當地電力部門的審批意見為準。這類分布式光伏多為工商業企業屋頂光伏,自發自用,余電上網。分布式光伏接入配電網前,應明確計量點,計量點設置除應考慮產權分界點外,還應考慮分布式電源出口與用戶自用電線路處。每個計量點均應裝設雙向電能計量裝置,其設備配置和技術要求符合DL/T448的相關規定,以及相關標準、規程要求。電能表采用智能電能表,技術性能應滿足國家電網公司關于智能電能表的相關標準。用于結算和考核的分布式電源計量裝置,應安裝采集設備,接入用電信息采集系統,實現用電信息的遠程自動采集。

光伏陣列接入組串式光伏逆變器,或者通過匯流箱接入逆變器,然后接入企業380V電網,實現自發自用,余電上網。在380V并網點前需要安裝計量電表用于計量光伏發電量,同時在企業電網和公共電網連接處也需要安裝雙向計量電表,用于計量企業上網電量,數據均應上傳供電部門用電信息采集系統,用于光伏發電補貼和上網電量結算。
部分光伏電站并網點需要監測并網點電能質量,包括電源頻率、電源電壓的大小、電壓不平衡、電壓驟升/驟降/中斷、快速電壓變化、諧波/間諧波THD、閃變等,需要安裝單獨的電能質量監測裝置。部分光伏電站為自發自用,余電不上網模式,這種類型的光伏電站需要安裝防逆流保護裝置,避免往電網輸送電能,系統圖如下。

這種并網模式單體光伏電站規模適中,可通過云平臺采用光伏發電數據和儲能系統運行數據,安科瑞在這類光伏電站提供的解決方案包括以下方面:



4.5.310kV或35kV并網
根據《國家能源局關于2019年風電、光伏發電項目建設有關事項通知》(國發新能〔2019〕49號),對于需要國家補貼的新建工商業分布式光伏發電項目,需要滿足單點并網裝機容量小于6兆瓦且為非戶用的要求,支持在符合電網運行安全技術要求的前提下,通過內部多點接入配電系統。
此類分布式光伏裝機容量一般比較大,需要通過升壓變壓器升壓后接入電網。由于裝機容量較大,可能對公共電網造成比較大的干擾,因此供電部門對于此規模的分布式光伏電站穩控系統、電能質量以及和調度的通信要求都比較高。
光伏電站并網點需要監測并網點電能質量,包括電源頻率、電源電壓的大小、電壓不平衡、電壓驟升/驟降/中斷、快速電壓變化、諧波/間諧波THD、閃變等,需要安裝單獨的電能質量監測裝置。

上圖為一個1MW分布式光伏電站的示意圖,光伏陣列接入光伏匯流箱,經過直流柜匯流后接入集中式逆變器(直流柜根據情況可不設置),最后經過升壓變壓器升壓至10kV或35kV后并入中壓電網。由于光伏電站裝機容量比較大,涉及到的保護和測控設備比較多,主要如下表:





4.結論
我國太陽能資源非常豐富,太陽能發電產業的應用空間也非常廣闊,在光照資源豐富的西北地區,如果利用戈壁灘安裝并網太陽能發電系統可提供非常可觀的發電量。在有些邊遠地區或海島上,未架設國家電網,可安裝獨立的光伏發電系統,無需架設輸電線路,且周期短,綜合成本低,能有效解決邊遠地區用電難的問題。由于我國是一個能源消耗大國,并且人口分布不均,因此發展太陽能光伏發電系統對于我國的可持續發展、保持能源供給的獨立性和安全性,以及人口分散地區居民用電具有重要意義。